ΤΕΧΝΙΚΩΝ ΕΡΓΩΝ
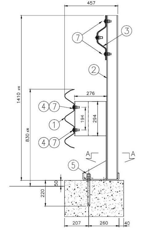
- Eπίπεδο Συγκράτησης: H1
- Λειτουργικό πλάτος: W2
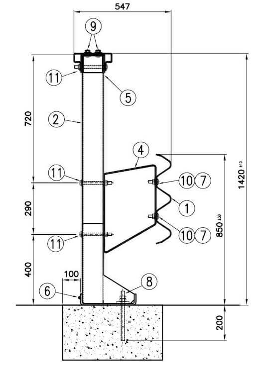
- Eπίπεδο Συγκράτησης: H2
- Λειτουργικό πλάτος: W2
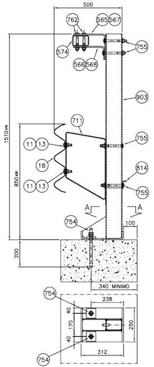
- Eπίπεδο Συγκράτησης: H2
- Λειτουργικό πλάτος: W3
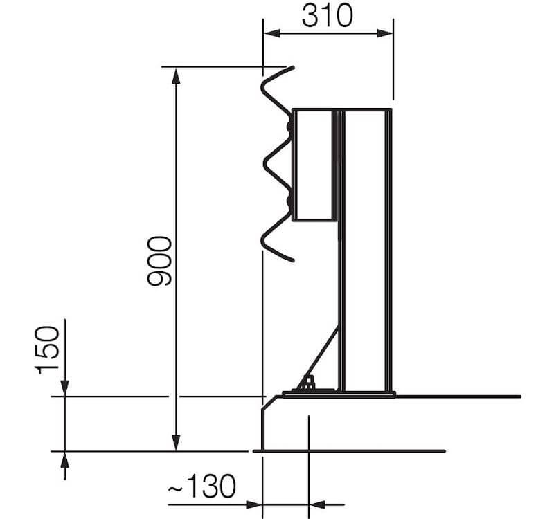
- Eπίπεδο Συγκράτησης: H2
- Λειτουργικό πλάτος: W4
- Eπίπεδο Συγκράτησης: H3
- Λειτουργικό πλάτος: W4
- Eπίπεδο Συγκράτησης: H3
- Λειτουργικό πλάτος: W5
- Eπίπεδο Συγκράτησης: H4b
- Λειτουργικό πλάτος: W3
- Eπίπεδο Συγκράτησης: H4b
- Λειτουργικό πλάτος: W4
- Eπίπεδο Συγκράτησης: H4b
- Λειτουργικό πλάτος: W5